磁力輪平行傳動
發表時間:2017年06月09日瀏覽量:10039


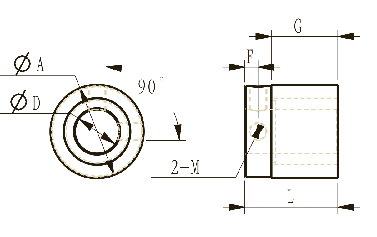
| 型號 | A | D | L | G | F | M | 磁極 | 間隙1mm時扭矩 |
| CJ4510P-□ | 45 | 20、15、10 | 34 | 26 | 4 | M5 | 10P | 2.2N.m |
| CJ3512P-□ | 35 | 20、15、12、10 | 32 | 21.5 | 5.25 | M5 | 12P | 0.8N.m |
| CJ3010P-□ | 30 | 15、12、10、8 | 25 | 18 | 3.5 | M4 | 10P | 0.32N.m |
| CJ2618P-□ | 26 | 15、12、10、8 | 21 | 14 | 3.5 | M4 | 18P | 0.21N.m |
| CJ2218P-□ | 22 | 12、10、8 | 18 | 12 | 3 | M4 | 18P | 0.13N.m |
| CJ2106P-□ | 21 | 12、10、8 | 21 | 15 | 3 | M3 | 6P | 0.09N.m |
| CJ1612P-□ | 16 | 5、6、8 | 13 | 8 | 2.5 | M2.5 | 12P | 0.04N.m |
平行傳動磁力輪,是兩軸承平行狀,是比較常見的一種非接觸傳動方式。
目前我公司的平行傳動的磁力輪主要以燒結為主,也可以根據客戶進行定做。


